近日,微纳制造与医工交叉团队在国际热能与工程领域顶级期刊《Applied Thermal Engineering》(2025年中科院一区TOP,IF=6.9)发表了关于纯电动汽车热管理与控制研究方面取得的重要进展。论文题目为《Control optimization of thermal management system for a pure electric passenger vehicle under low-temperature conditions》,DOI:https://doi.org/10.1016/j.applthermaleng.2026.130349。


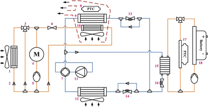
为了缓解纯电动汽车在低温环境下续航里程严重衰减及热管理系统能耗过高的问题,本研究提出了一种融合电机余热回收与模型预测控制的电池协同加热创新策略。与传统阈值控制相比,热泵能耗降低34.7%,电池加热能耗减少11.8%。本研究为提升电动汽车在低温环境下的经济性与舒适性提供了有效方案,凸显了全局控制优化的应用潜力。
这项工作得到了湖北省国际科技合作项目(No. 2024EHA007)的资助。